|
|
Elzett 3420-as típus
Általános bevésőzár,a a legelterjedtebb típus, illetve a leggyakoribb, szabványos méret. Ha ajtaja fából van és kétnyelves zárat lát benne, majdnem biztos hogy ugyanez a fajta.
Csapónyelves, dupla reteszelésű biztonsági zártest.
|
|
|

|
Elzett 3424-es típus
Előbbi, 3420-as erősített változata. Oldallemeze vastagabb, mozgó alkatrészei megerősítettek. Csaapónyelve öntvény helyett kimunkált acél, tartósabb zár, nagyobb igénybevételhez, üzletek bejáratára, társasházi kapukba, otthonra, hosszú távra ideális.
|
|
|

|
Elzett 3410 F DOSE zár
Beltéri ajtózár, fogazott kulcsos és WC kivitelben. Méreteiben megegyezik a 3420-as típussal. Úgyszintén a legelterjedtebb méret, "Soproni" zárnak vagy"7-es " zárnak is nevezik, ez utóbbi a bepéítési mélységre utal. |
|
|

|
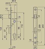
Elzett 709-es típus
Az Elzett egyik régebbi típusa, furattávolsága megegyezik a 3420-as záréval, a zárházat azonban kisebbre méretezték. Régebben gyakran szerelt, mára már kifutó, ellenben az egyik legdrágább típus ez.
Nem tudjuk miért. Kettős zárású, váltós zár.
|
|
|
|
Elzett 900-as típus
Igen ritka zár, 72 mm-es lyuktávolságával megfelel a
német DIN szabvány szerinti méreteknek. |
|
|

|
Elzett 3413-as típus
Templomkapu zár, ez a legelterjedtebb megnevezése. Hatalmas méretű, tollas, vaskulcsos, nyelve nem fordítható, balos és jobbos kivitelben gyártják. Társasházak méretes fakapuiban, templomkapukban bukkanhatunk rá, innen az elnevezés is. |
|
|
|
Elzett 3413 C típus
Az Elzett 3413-as zár cilinder betétes változata. A nyelv ugyancsak nem fordítható, balos és jobbos kivitel létezik. |
|
|

|
Elzett 4391-es típus
Lővérzár, ez a leggyakoribb neve. Normál, profilkulcsos, feltűnő ismertetőjegye hogy csak egy nyelve van, ez szolgál a csapdás működtetésre és reteszelésre is. Panellakások beltéri, szobaajtajaiba a hetvenes évek közepétől szinte csak ezt a típust szerelték. |
|
|

|
Elzett 4392-es típus
A lővérzár, biztonsági, cilinderes változata. Méreteiben megyegyezik a 3391-es típussal. Lakótelepi bejárati ajtókban lelünk rá. Váltós, vagyis a kulccsal a nyelv visszahúzható.
|
|
|
|
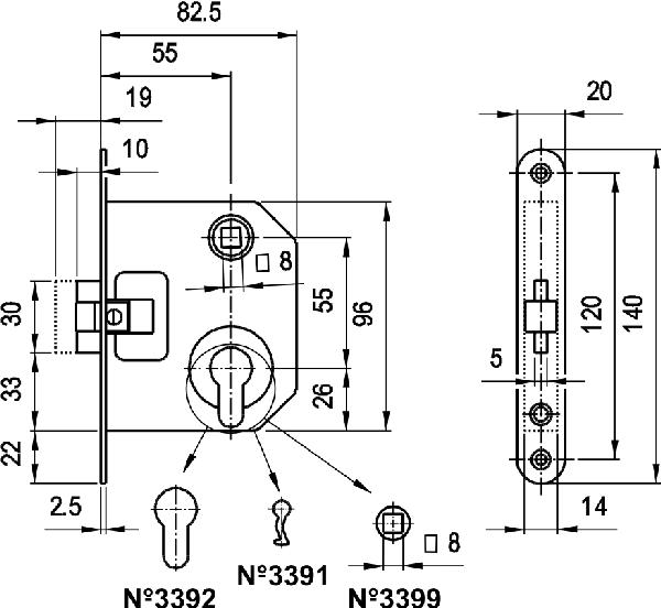
Elzett 3435-os típus
A normál kulcsos lővérzár, a 3392-es, erősített változata. Befoglaló méreteik megyegyeznek, ám a 3435-ös két külön nyelvvel rendelkezik, egyik a csapdás zárás, másik a reteszelés funkcióját látja el. |
|
|

|
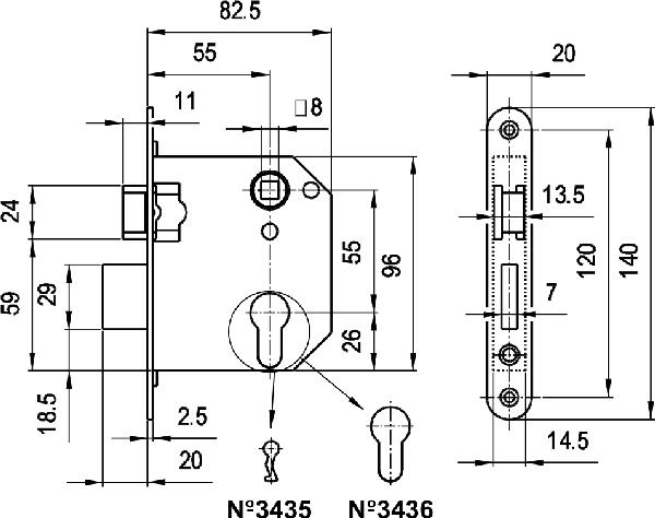
Elzett 3436-os típus
A cilinderes biztonsági lővérzár, a 3392-es, erősített vál-
tozata. Befoglaló méreteik megyegyeznek, ám a 3436-os
két külön nyelvvel rendelkezik, egyik a csapdás zárás,
másik a reteszelés funkcióját látja el. |
|
 |

|
Elzett 700-as típus
Patkózár avagy kéttollú zár. Ötven éve nem változatlan
méretben készül, tehát ha kéttollú kulcsa van,
bizonyára ilyennel rendelkezik. Elterjedt típus, legfőképp
rácsajtókba, bejárati ajtókba szerelik, kiegészítő zárként. |
|
 |
Bevésési mélység: 72 mm Bevésési magasság: 57mm
Furatmélység: 45 mm
|
Elzett 777-es típus
Felső, kiegészítő zárként meglehetősen elterjedt, kettős
reteszelésű cilinderes zárszerkezet. |
|
|

|
Elzett 415-ös típus
Bevéső reteszzár, egyszeres záródású. Tollas kulccsal
működtethető. |
|
|

|
Elzett 416-os típus
Biztonsági bevéső reteszzár, egyszeres záródású. Cilinder-
betéttel működtethető, külső méretei megegyeznek a
415-ös típuséval. Vasajtóba, üvegajtóba nem min-
dig szerelhető, a 40 mm-es portálzárba mértetei miatt
nem sűlyeszthető be.
|
|
|

|
Europortál
Biztonsági bevéső reteszzár, egyszeres záródású. Cilinder-
betéttel működtethető. A 416-hoz hasonló, immár beépíthető 40-es zártszelvénybe, ezértl gyakran szerelik
vasajtókba, rácsajtókba.
|
|
|

|
Elzett 3389-es típus
Portálzár, leginkább vasajtókba, vasrácsokba szerelt.
Váltós, a kulccsal visszahúzható a kilincsnyelv, egysze-
resen reteszelhető. Besűlyeszthető a 40-es zártszelvénybe. |
4700 Ft |
|

|
Elzett 3390-es típus
Görgős portálzár, a 3389-es kilincs nélküli változata. Be-
foglaló méreteik megegyeznek. Üzletportálok, kirakatok
ajtajaiba szerelik gyakran. Egyszeres reteszelésű. |
|
|

|
Elzett 3397-es típus
Portálzár, 5 cm mély, csapdás, egyszeres reteszeléssel.
Ritkább fajta, gömbölyített kilincsnyelvvel a könnyebb
záródás érdekében. Egyre zárható. |
|
|

|
Elzett 3397/G típus
Portálzár, 5 cm mély, a 3397-es görgős változata. Egyre zárható. |
|
|
 |
Elzett 3398-as típus
Az Elzett legkeskenyebb, 3 cm mély portálzára. A szük ház miatt csak speciális, köszörült tolókás, úgy nevezett "iráni" zárbetéttel működtethető. (valójában nem Iránban gyártják) |
|
| |
|
|
|
| |
|
|
|
| |
|
|
|
| |
|
|
|
| |
|
|
|
| |
|
|
|
| |
|
|
|
| |
|
|
|
| |
|
|
|
| |
|
|
|
| |
|
|
|
| |
|
|
|
| |
|
|
|
| |
|
|
|
| |
|
|
|